À propos de ce projet
Type d'habitation

Appartement
Structure de mur
Béton branché, épaisseur 20 cm.
Objectifs
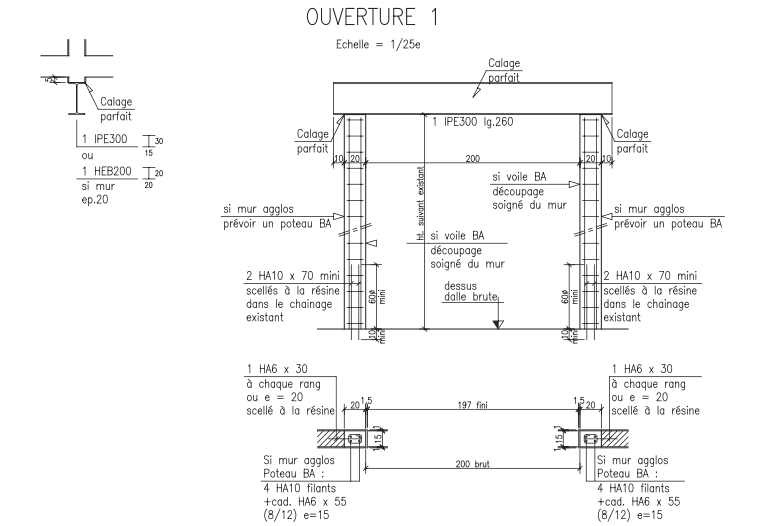
Ouverture d'un mur pour créer un accès entre deux appartements situés au 2ème étage. Ouverture d’une longueur de 2m et pose d’une poutrelle métallique, HEB 200.